Alkatrész
- Oszy
- Hozzászólások: 1998
- Csatlakozott: 2010.05.13., csüt. 09:56
- Tartózkodási hely: Székesfehérvár
- Kapcsolat:
Re: Alkatrész
125
NA végre, találtam egy értelmes kapcsrajzot. Ezt holnap összeszögelem és ha megy akkor ezt fel kéne tölteni az oldalra. Majd ha kész akkor szolgáltatok képeket és infókat, hogyan készítettem.
NA végre, találtam egy értelmes kapcsrajzot. Ezt holnap összeszögelem és ha megy akkor ezt fel kéne tölteni az oldalra. Majd ha kész akkor szolgáltatok képeket és infókat, hogyan készítettem.
A vélemény olyan, mint a segglyuk. Mindenkinek van, de senki nem kíváncsi a másikéra.
- fgyozo
- Hozzászólások: 3848
- Csatlakozott: 2009.10.22., csüt. 16:32
- Tartózkodási hely: Budapest
- Kapcsolat:
126
125-re
O.K.Oszy, előre is köszönet az építő jellegű szándékért.
Remélem vasárnapra sikerül szikrázóvá tenned a dolgot oly annyira
h a benzin is robban majd tőle a mocidban .
O.K.Oszy, előre is köszönet az építő jellegű szándékért.
Remélem vasárnapra sikerül szikrázóvá tenned a dolgot oly annyira
h a benzin is robban majd tőle a mocidban .
Kellemes dugó_mozgást, a párban 
- Oszy
- Hozzászólások: 1998
- Csatlakozott: 2010.05.13., csüt. 09:56
- Tartózkodási hely: Székesfehérvár
- Kapcsolat:
129 CDI házilag
HURÁÁÁÁÁ!!!
Van Szikra!!
Sikerült megépíteni a CDI-t házilag és kitűnően működik. Lehet csak az öröm tesuzi de mintha jobban menne!
Holnap azaz vasárnap találkozunk és végre személyesen is bemutatkozhatunk.
fgyozo
küldöm a képeket és a rajzokat.
Van Szikra!!
Sikerült megépíteni a CDI-t házilag és kitűnően működik. Lehet csak az öröm tesuzi de mintha jobban menne!
Holnap azaz vasárnap találkozunk és végre személyesen is bemutatkozhatunk.
fgyozo
küldöm a képeket és a rajzokat.
A vélemény olyan, mint a segglyuk. Mindenkinek van, de senki nem kíváncsi a másikéra.
-
tóth zoli
130
Szia Oszi A rajzot és az elektronikai munka közbeni tapasztalatot szivesen látnám a honlapon. Előre is köszönöm.
- Oszy
- Hozzászólások: 1998
- Csatlakozott: 2010.05.13., csüt. 09:56
- Tartózkodási hely: Székesfehérvár
- Kapcsolat:
131
Szia Zoli,
Már elküldtem fgyozo-nek mailba.
Igazából semmi rendkívüli nem volt. Mondhatóm, hogy egyből indult. Először 1 henger, aztán megtaláltam 1 elkötést és egy hideg fórasztást majd röfff és máris pörgött a tengely.
Itt egy kis izelítő:
Már elküldtem fgyozo-nek mailba.
Igazából semmi rendkívüli nem volt. Mondhatóm, hogy egyből indult. Először 1 henger, aztán megtaláltam 1 elkötést és egy hideg fórasztást majd röfff és máris pörgött a tengely.
Itt egy kis izelítő:
A vélemény olyan, mint a segglyuk. Mindenkinek van, de senki nem kíváncsi a másikéra.
- Oszy
- Hozzászólások: 1998
- Csatlakozott: 2010.05.13., csüt. 09:56
- Tartózkodási hely: Székesfehérvár
- Kapcsolat:
132
Hmm,azért mégis akad 1-2 érdekesség
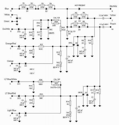
Összeraktam, pöccre indult. Ki is mentem karikázni a fehérvári elkerülőre. A városban minden ok-nak tűnt de mintha mégis más. Kiderült a vége 120(a régi 180-nál már én engedtem el a gázt..) és nem gyorsul 3-4000 rpm után. Kapcsrajz tüzetesebb boncolgatása után és elolvasva a hozzá talált angol doksit, kiderült kalibrálni kell: Az előgyújtást és (talán) a rpm leszabályzást is.
Ezeket az R27-el és az R24-el lehetséges. Ezt úgy, hogy a kapcsrajzban a 2 ellenállás helyett beiktatunk egíy-egy 1(de akár ) 2 K ohmos trimert v potit. Majd járó motornál tekergetjük, esetenként menetpróba. lásd kép.
Holnap reggel ezt teszem és lehet, hogy Agárdon még mindig állítani fogom.
Összeraktam, pöccre indult. Ki is mentem karikázni a fehérvári elkerülőre. A városban minden ok-nak tűnt de mintha mégis más. Kiderült a vége 120(a régi 180-nál már én engedtem el a gázt..) és nem gyorsul 3-4000 rpm után. Kapcsrajz tüzetesebb boncolgatása után és elolvasva a hozzá talált angol doksit, kiderült kalibrálni kell: Az előgyújtást és (talán) a rpm leszabályzást is.
Ezeket az R27-el és az R24-el lehetséges. Ezt úgy, hogy a kapcsrajzban a 2 ellenállás helyett beiktatunk egíy-egy 1(de akár ) 2 K ohmos trimert v potit. Majd járó motornál tekergetjük, esetenként menetpróba. lásd kép.
Holnap reggel ezt teszem és lehet, hogy Agárdon még mindig állítani fogom.
A vélemény olyan, mint a segglyuk. Mindenkinek van, de senki nem kíváncsi a másikéra.
-
moli
133
Sziasztok!
Kérem aki tud, segítsen, egy szelepállító csavarra lenne szükségem.Előre is köszönettel:moli
Kérem aki tud, segítsen, egy szelepállító csavarra lenne szükségem.Előre is köszönettel:moli
Ki van itt
Jelenlévő fórumozók: nincs regisztrált felhasználó valamint 93 vendég