Alkatrész
-
molicx
Sziasztok!
Egy héttel hamarabb megjöttek a tömszelencék.
Telefonon kereslek benneteket és megbeszéljük az átvételt.
CXKOPI! Hívjál fel, elhagytam a telefonszámodat!
Kösz:moli
Egy héttel hamarabb megjöttek a tömszelencék.
Telefonon kereslek benneteket és megbeszéljük az átvételt.
CXKOPI! Hívjál fel, elhagytam a telefonszámodat!
Kösz:moli
-
molicx
1356
Sziasztok!
Ceglédre, ha kell valakinek:
-olaj castrol 20w-50 1650
-gyertya Ngk iridium is kb 2800
-vez.lánc 14 700 kb
-fékbetét euróba kb 4000
-légszűrő 2800
Ha kell tel.-on jelezd csüt.10-ig moli
Ceglédre, ha kell valakinek:
-olaj castrol 20w-50 1650
-gyertya Ngk iridium is kb 2800
-vez.lánc 14 700 kb
-fékbetét euróba kb 4000
-légszűrő 2800
Ha kell tel.-on jelezd csüt.10-ig moli
- Oszy
- Hozzászólások:1998
- Csatlakozott:2010.05.13., csüt. 09:56
- Tartózkodási hely:Székesfehérvár
- Kapcsolat:
1364
Sajna időm nem engedi. Ha lenne rá akkor már sorozatba gyártanám.
fgyozo írta:1351-re
Oszy! - te úgy is jobban benne vagy ... miért nem építesz te neki egyet?
Van egy ismerősöm rákérdezek nála is hátha ő építene ...
A vélemény olyan, mint a segglyuk. Mindenkinek van, de senki nem kíváncsi a másikéra.
-
Pesta
- Hozzászólások:787
- Csatlakozott:2011.04.21., csüt. 15:18
- Tartózkodási hely:Nyékládháza
- Kapcsolat:
1369
Srácok, úgy látom, nem véletlen a mondás, miszerint "Üzletben nincs barátság...".
Lesújtó ezt látni... No comment.
Lenne viszont egy kérdésem, illetve kérésem, ki hogy értelmezi.
Arra gondoltam, hogy az a bizonyos CDI nem lehet túl nagy dolog, vajon tudjuk-e, hogy a hibásaknak mi a jellemző meghibásodásuk?
Rögeszmém a dolgok használható állapotban tartása, javítása, jómagam elítélem a cserére buzdító szokásokat.
Szóval: ha valakinek esetleg van egy ilyen hányódó CDI-je, és nem sajnálja nekem eljuttatni, szívesen látnék egyet. Érdekel az elektronika, és megpróbálkoznék a javításával is.
Lesújtó ezt látni... No comment.
Lenne viszont egy kérdésem, illetve kérésem, ki hogy értelmezi.
Arra gondoltam, hogy az a bizonyos CDI nem lehet túl nagy dolog, vajon tudjuk-e, hogy a hibásaknak mi a jellemző meghibásodásuk?
Rögeszmém a dolgok használható állapotban tartása, javítása, jómagam elítélem a cserére buzdító szokásokat.
Szóval: ha valakinek esetleg van egy ilyen hányódó CDI-je, és nem sajnálja nekem eljuttatni, szívesen látnék egyet. Érdekel az elektronika, és megpróbálkoznék a javításával is.
Üdv.
Pesta
Pesta
- Oszy
- Hozzászólások:1998
- Csatlakozott:2010.05.13., csüt. 09:56
- Tartózkodási hely:Székesfehérvár
- Kapcsolat:
1370
Szia Pesta,
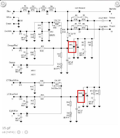
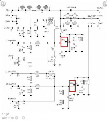
Nekem van 1. de be van öntve valami gumis xarba. Az előzőt 2 napig kapirgáltam de igy is szétment-tört az elektronika.
Ha van türelmed oda adom, és szétszedheted, de tudom a hibát: 99%-ba valamelyik tirisztor megy tönkre. dioda is esélyes de azok jól bírják. a tirisztor van kitéve nagy munkának. Az a 2 amit bekereteztem. A mellette levő dióda is lehet ludas, azaz megszakad és már nem védi a tirisztort a tekercsből visszalökő önindukcióból keletkezett feszültségtől. ide ajánlott egy nagy fesz., nagy áram bírású és gyors diódát betenni.
általában ez nyírja ki + a hűtés nincs megoldva, csak a bele öntött gumis akármi ami valamennyit elvezet. Tehát jó ha hűtőbordára vagy a doboz falára csavarozzuk a tirisztorokat.
részletek:http://www.cx-gl.hu/szerelesisos.php
Nekem van 1. de be van öntve valami gumis xarba. Az előzőt 2 napig kapirgáltam de igy is szétment-tört az elektronika.
Ha van türelmed oda adom, és szétszedheted, de tudom a hibát: 99%-ba valamelyik tirisztor megy tönkre. dioda is esélyes de azok jól bírják. a tirisztor van kitéve nagy munkának. Az a 2 amit bekereteztem. A mellette levő dióda is lehet ludas, azaz megszakad és már nem védi a tirisztort a tekercsből visszalökő önindukcióból keletkezett feszültségtől. ide ajánlott egy nagy fesz., nagy áram bírású és gyors diódát betenni.
általában ez nyírja ki + a hűtés nincs megoldva, csak a bele öntött gumis akármi ami valamennyit elvezet. Tehát jó ha hűtőbordára vagy a doboz falára csavarozzuk a tirisztorokat.
részletek:http://www.cx-gl.hu/szerelesisos.php
A vélemény olyan, mint a segglyuk. Mindenkinek van, de senki nem kíváncsi a másikéra.
Ki van itt
Jelenlévő fórumozók: Google [Bot] valamint 3 vendég